IQD石英晶体计时记录,自推出以来,32.768K晶振微型手表水晶已成为最受欢迎的计时保持参考。本应用说明旨在为石英晶体在计时应用中的应用提供一些指导。
在几乎所有的情况下,为了方便和成本,设计师都希望使用简单的逻辑振荡器门应用。通常适用于这种类型的设计的标准是,它应该是准确、成本低、功耗低。使用手表石英晶体和CMOS逻辑都可以满足所有这些标准。
在CMOS振荡器电路中,功耗随频率的增加而增加,因此将操作频率降低到最小值是有意义的;这就是选择32.768kHz的原因。降低CMOS电路中的功耗的第二种方法是减少被驱动的任何负载的大小。部分是出于这个原因,手表晶体的设计通常是在12.5 pF的负荷下工作,而不是更常见的20或30pF。它也与: (a)使用的CMOS类型在低电压下耗尽蒸汽,除非使用低晶体负载电容;(b)保持晶体驱动水平低,同时保持足够的逆变器输入电压,(c)允许使用一个非常小的微调电容器,同时仍然提供必要的微调范围。
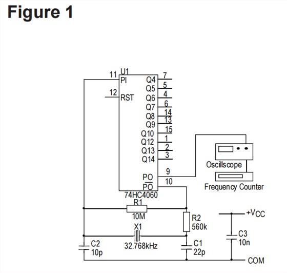
CMOS逆变器振荡器的基本要求可以满足一个单栅极和少数其他组件来提供偏置和反馈。图1显示了这种类型的典型电路。石英晶体所看到的负载电容是Cout和Cin的串联组合,包括逻辑栅输入和输出引脚电容。图1中使用的分量值工作得很好,并且与从桑德斯140晶体阻抗仪中获得的测量测试结果具有良好的相关性。呈现给该晶体的表观负载电容为:
Cout =门输出电容器Cin =门输入电容器
这就给出了一个6.9pF的负荷的数字。这远低于要求的12.5pF的数字,但是逻辑门的输入和输出引脚都有一个可观的负载。这些附加值需要添加到6.9pF中。这些负载通常在每引脚3pF到4pF之间,但可以高达10pF,也将取决于所使用的逻辑族。这些额外的负载和电路中的任何杂散电容加起来约为12.5pF。
IQD石英晶体计时记录
如果需要一个可调振荡器,22pF输出电容器可以被一个固定的10pF电容器与一个2pF到22pF微调器并联取代。为了达到最佳效果,应使用NPO、COG或类似的低温再高效介质电容器以获得最佳稳定性
像这样的振荡器经常表达的要求是接近公差,通常在布局中。除了电容公差的影响外,还必须认识到,由于它们的值很低,由集成电路引起的一些可变阻抗将导致一些不确定的相移,从而产生振荡频率。因此,如果精度优于±50ppm石英晶振,无论实际晶体容差如何,都强烈推荐使用修剪剂
另一个重要的影响是由于温度的变化。
1MHz以下的手表晶体和其他类似类型具有抛物线
具有设计周转率的频率-温度特性
温度为25°C(见图3)。周转温度和抛物线曲率常数,通常分别为±3°C和0.038ppm/°C2,意味着在有限的温度范围内可以保持接近的公差。这是小影响的手表,当然,因为在使用它保持接近晶体的周转温度,但它可以使这种类型的晶体的选择成本效益比削减单位如果操作温度范围大于0到50°C。
图2 C3和C4显示了一个用于4.194304MHz贴片晶振(32.768kHz x27)at切割晶体的类似电路,旨在促进在12pF的标准时钟晶体负载下校准的晶体的精确频率微调。如果不需要微调,要么用18pF或22pF固定单元更换这些电容器(选择导致振荡最接近标称频率的值),或者完全省略它们,并指定在30pF负载下校准的晶体。
| 制造商零件编码 | 制造商 | 系列 | 32.768K贴片晶振 | 频率 | 频率容差 |
| LFXTAL084882REEL | IQD晶振 | IQXC-217 | 32.7680KHZ CRYSTAL IQXC-217 | 32.768 kHz | ±20ppm |
| LFXTAL051643REEL | IQD晶振 | IQXC-25 | CRYSTAL 32.7680KHZ 9PF SMD | 32.768 kHz | ±20ppm |
| LFXTAL050789REEL | IQD晶振 | IQXC-25 | CRYSTAL 32.7680KHZ 12.5PF SMD | 32.768 kHz | ±20ppm |
| LFXTAL084883REEL | IQD晶振 | IQXC-217 | 32.7680KHZ CRYSTAL IQXC-217 | 32.768 kHz | ±20ppm |
| LFXTAL066198REEL | IQD晶振 | IQXC-90 | CRYSTAL 32.7680KHZ 9PF SMD | 32.768 kHz | ±20ppm |
| LFXTAL009678REEL | IQD晶振 | CFPX-217 | CRYSTAL 32.7680KHZ 12.5PF SMD | 32.768 kHz | ±20ppm |
| LFXTAL084884REEL | IQD晶振 | IQXC-217 | 32.7680KHZ CRYSTAL IQXC-217 | 32.768 kHz | ±20ppm |
| LFXTAL084885REEL | IQD晶振 | IQXC-217 | 32.7680KHZ CRYSTAL IQXC-217 | 32.768 kHz | ±20ppm |
| LFXTAL073264REEL | IQD晶振 | IQXC-25 | CRYSTAL 32.7680KHZ 6PF SMD | 32.768 kHz | ±20ppm |
| LFXTAL059461REEL | IQD晶振 | IQXC-25 | CRYSTAL 32.7680KHZ 7PF SMD | 32.768 kHz | ±20ppm |
| LFXTAL062558REEL | IQD晶振 | IQXC-25 | CRYSTAL 32.7680KHZ 9PF SMD | 32.768 kHz | ±10ppm |
| LFXTAL065455REEL | IQD晶振 | IQXC-25 | CRYSTAL 32.7680KHZ 6PF SMD | 32.768 kHz | ±20ppm |
| LFXTAL025159REEL | IQD晶振 | CFPX-56 | CRYSTAL 32.7680KHZ 12.5PF SMD | 32.768 kHz | ±20ppm |
| LFXTAL002996BULK | IQD晶振 | WATCH | CRYSTAL 32.7680KHZ 12.5PF TH | 32.768 kHz | ±15ppm |
| LFXTAL025159BULK | IQD晶振 | CFPX-56 | CRYSTAL 32.7680KHZ 12.5PF TH | 32.768 kHz | ±20ppm |
| LFXTAL014219BULK | IQD晶振 | WATCH | CRYSTAL 32.7680KHZ 6PF TH | 32.768 kHz | ±20ppm |
| LFXTAL002995BULK | IQD晶振 | WATCH | CRYSTAL 32.7680KHZ 12.5PF TH | 32.768 kHz | ±20ppm |
| LFXTAL002997BULK | IQD晶振 | WATCH | CRYSTAL 32.7680KHZ 12.5PF TH | 32.768 kHz | ±20ppm |
| LFXTAL016178REEL | IQD晶振 | 85SMX | CRYSTAL 32.7680KHZ 6PF SMD | 32.768 kHz | ±20ppm |
| LFXTAL003000REEL | IQD晶振 | 85SMX | CRYSTAL 32.7680KHZ 12.5PF SMD | 32.768 kHz | ±20ppm |
| LFXTAL050632REEL | 有源晶振 | 85SMX | CRYSTAL 32.7680KHZ 6PF SMD | 32.768 kHz | ±10ppm |
| LFXTAL066431REEL | IQD晶振 | IQXC-90 | CRYSTAL 32.7680KHZ 7PF SMD | 32.768 kHz | ±20ppm |
| LFXTAL054236REEL | IQD晶振 | CFPX-217 | CRYSTAL 32.7680KHZ 6PF SMD | 32.768 kHz | ±20ppm |
| LFXTAL009709REEL | IQD晶振 | CFPX-217 | CRYSTAL 32.7680KHZ 7PF SMD | 32.768 kHz | ±20ppm |
| LFXTAL009706REEL | IQD晶振 | CFPX-217 | CRYSTAL 32.7680KHZ 9PF SMD | 32.768 kHz | ±20ppm |
| LFXTAL065253REEL | IQD晶振 | IQXC-90 | CRYSTAL 32.7680KHZ 12.5PF SMD | 32.768 kHz | ±20ppm |
| LFXTAL066834REEL | IQD晶振 | CFPX-217 | CRYSTAL 32.7680KHZ 12.5PF SMD | 32.768 kHz | ±10ppm |
| LFXTAL003000BULK | IQD晶振 | 85SMX | CRYSTAL 32.7680KHZ 12.5PF SMD | 32.768 kHz | ±20ppm |
| LFXTAL016178BULK | IQD晶振 | 85SMX | CRYSTAL 32.7680KHZ 6PF SMD | 32.768 kHz | ±20ppm |
| LFXTAL015822REEL | IQD晶振 | 90SMX | CRYSTAL 32.7680KHZ 6PF SMD | 32.768 kHz | ±20ppm |
| LFXTAL003003REEL | IQD晶振 | 91SMX | CRYSTAL 32.7680KHZ 12.5PF SMD | 32.768 kHz | ±20ppm |
| LFXTAL003004REEL | IQD晶振 | 90SMX | CRYSTAL 32.7680KHZ 12.5PF SMD | 32.768 kHz | ±20ppm |
| LFXTAL010193REEL | IQD晶振 | 91SMX | CRYSTAL 32.7680KHZ 6PF SMD | 32.768 kHz | ±20ppm |
| LFXTAL010193BULK | IQD晶振 | 91SMX | CRYSTAL 32.7680KHZ 6PF SMD | 32.768 kHz | ±20ppm |
| LFXTAL003003BULK | IQD晶振 | 91SMX | CRYSTAL 32.7680KHZ 12.5PF SMD | 32.768 kHz | ±20ppm |
| LFXTAL015822BULK | IQD晶振 | 90SMX | CRYSTAL 32.7680KHZ 6PF SMD | 32.768 kHz | ±20ppm |
| LFXTAL003004BULK | IQD晶振 | 90SMX | CRYSTAL 32.7680KHZ 12.5PF SMD | 32.768 kHz | ±20ppm |





泰艺晶振,石英晶振,XZ晶振
希华晶振,石英晶振,SCO-2520晶振
CTS晶振,石英晶振,416晶振
精工晶振,32.768K,VT-200-FL晶振

