泰艺晶振,贴片晶振,X8晶振,台湾泰艺晶振成立于民国89年3月,前身为泰电电业股份有限公司电子部(民国65年设立),泰艺晶振是一家专业晶振,石英晶振,有源晶振,压控晶振等其它频率控制元件制造商。是台湾唯一拥有生产『恒温控制石英振荡器』技术的制造商,完整的晶振产品线提供一次性购足的服务。
晶振的真空封装技术:是指石英晶振在真空封装区域内进行封装。1.防止外界气体进入组件体内受到污染和增加应力的产生;2.使晶振组件在真空下电阻减小;3.气密性高。此技术为研发及生产超小型、超薄型石英晶体谐振器必须攻克的关键技术之一.
|
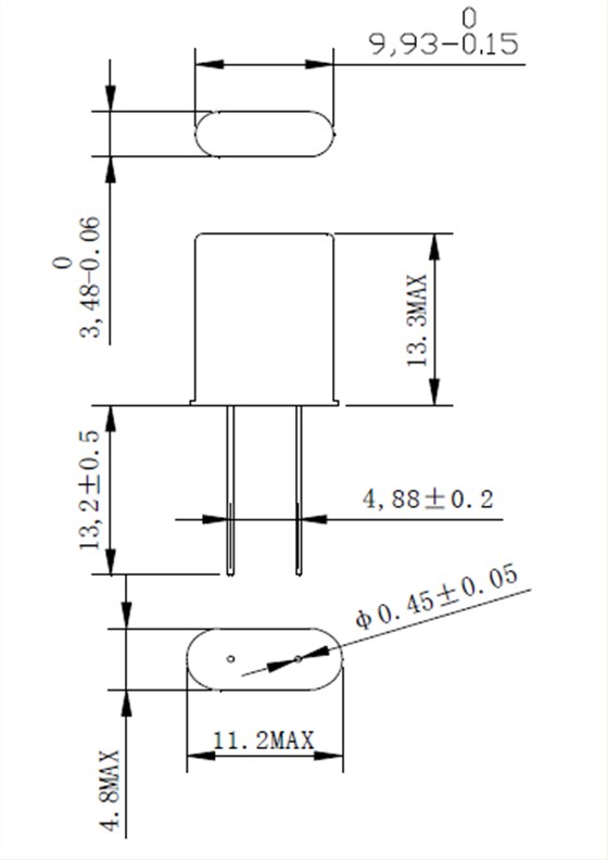
泰艺晶振规格 |
单位 |
X8贴片晶振频率范围 |
石英晶振基本条件 |
|
标准频率 |
f_nom |
5~16.384MHz |
标准频率 |
|
储存温度 |
T_stg |
-55°C ~ +105°C |
裸存 |
|
工作温度 |
T_use |
-40°C ~ +85°C |
标准温度 |
|
激励功率 |
DL |
200μW Max. |
推荐:1μW ~ 100μW |
|
频率公差 |
f_— l |
±50 × 10-6(标准), |
+25°C 对于超出标准的规格说明, |
|
频率温度特征 |
f_tem |
±30 × 10-6/-20°C ~ +70°C |
超出标准的规格请联系我们. |
|
负载电容 |
CL |
7pF |
超出标准说明,请联系我们. |
|
串联电阻(ESR) |
R1 |
如下表所示 |
-40°C — +85°C,DL = 100μW |
|
频率老化 |
f_age |
±5 × 10-6/ year Max. |
+25°C,第一年 |
设计指导
(1) 理想情况下,机械蜂鸣器应安装在一个独立于晶体器件的PCB板上。如果您安装在同一个PCB板上,最好使用余量或切割PCB。当应用于PCB板本身或PCB板体内部时,机械振动程度有所不同。建议遵照内部板体特性。
(2) 在设计时请参考相应的推荐封装。
(3) 在使用焊料助焊剂时,按JIS标准(JIS C 60068-2-20/IEC 60,068-2-20).来使用。
(4) 请按JIS标准(JIS Z 3282, Pb 含量 1000ppm, 0.1wt% 或更少)来使用无铅焊料。
存储事项
(1) 在更高或更低温度或高湿度环境下长时间保存晶振时,会影响频率稳定性或焊接性。请在正常温度和湿度环境下保存这些石英晶振产品,并在开封后尽可能进行安装,以免长期储藏。
正常温度和湿度:
温度:+15°C 至 +35°C,湿度 25 % RH 至 85 % RH(请参阅“测试点JIS C 60068-1 / IEC 60068-1的标准条件”章节内容)。
(2) 请仔细处理内外盒与卷带。外部压力会导致卷带受到损坏。
泰艺晶振环保方针:
活动应遵从以下政策:
1. 晶振,石英晶振,有源晶振,压控晶振自设计阶段至成品完成后之服务即应考察该产品对环境产生之冲击,避免使用会造成污染之原物料及制程;对污染之防治应从根源解决问题,以《不产生、不使用》为最高指导原则。
2.若无法避免需产生或使用时,应管制单位产生量及使用量,做持续性之追踪管制、改进并制定预防方案或是降低污染量,水电等消耗性(能)资源使用,应从系统研究改善使用效率,以达成节约能源之目标。
3. 泰艺晶振公司所有活动皆遵循环保法规及承诺,作好绿色设计与生产以及污染预防,减少使用危害环境的原物料,积极节约材料资源,降低对整体环境冲击的影响,实施相关预防矫正、持续改善作业,落实与维护环境保护,响应全球环保运动。
4.藉由环境稽核确认环境改善绩效,使公司所有活动过程均能达成环境目标及标的,并期望透过泰艺晶振公司全体员工共同努力,贡献爱护地球的一份心力。泰艺晶振,贴片晶振,X8晶振.



西铁城晶振,石英晶体谐振器,CM315D晶振,CM315D32768DZCT晶振
KDS晶振,石英晶体谐振器,DSX531S晶振
NDK晶振,32.768K,NX2012SA晶振
爱普生晶振,32.768K,FC-12M晶振,FC-12M 32.7680KA-A3
爱普生晶振,.32.768K,FC-135晶振,FC-135 32.7680KA-AC
LFXTAL059531REEL,5032mm,IQD医疗设备晶振,CFPX-104晶体
LFXTAL029914REEL,HC49/4HSMX,IQD车载晶振,SMD晶体
TXC晶振,贴片晶振,8J晶振

