MTRONPTI晶振,贴片晶振,M1381晶振
频率:32.768KHZ
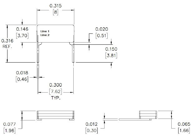
尺寸:8*3.7mm
32.768K时钟晶体具有小型,薄型,轻型的贴片晶振表面音叉型晶体谐振器,产品具有优良的耐热性,耐环境特性,可发挥晶振优良的电气特性,符合RoHS规定,满足无铅焊接的高温回流温度曲线要求,金属外壳的封装使得产品在封装时能发挥比陶瓷谐振器外壳更好的耐冲击性.
MTRONPTI晶振,贴片晶振,M1381晶振,小体积SMD时钟晶体谐振器,是贴片音叉晶体,千赫频率元件,应用于时钟模块,智能手机,全球定位系统,因产品本身体积小,SMD编带型,可应用于高性能自动贴片焊接,被广泛应用到各种小巧的便携式消费电子数码时间产品,环保性能符合ROHS/无铅标准。
MtronPTI晶振与基础材料科学和制造的完全控制垂直整合,为高可靠性高性能互联网数据定时,公共安全和军用/航空通信与控制,仪器仪表和能源管理应用提供解决方案。基于佛罗里达州奥兰多市的设计,销售以及在北美,亚洲和欧洲的生产基地,MtronPTI是LGL集团(NYSE MKT:LGL)的子公司。M1381晶振,8038兆级贴片晶振,陶瓷盖晶振
石英晶振产品电极的设计:石英晶振产品的电极对于石英晶体元器件来讲作用是1.改变频率;2.往外界引出电极;3.改变电阻;4.抑制杂波.第1、2、3项相对简单,第4项的设计很关键,电极的形状、尺寸、厚度以及电极的种类(如金、银等)都会导致第4项的变化.特别是随着晶振的晶片尺寸的缩小对于晶片电极设计的形状及尺寸和精度上都有更高的要求---公差大小、位置的一致性等对晶振产品的影响的程度增大,故对电极的设计提出了更精准的要求.
|
MTRONPTIC晶振规格 |
单位 |
M1381晶振频率范围 |
石英晶振基本条件 |
|
标准频率 |
f_nom |
32.768KHZ |
标准频率 |
|
储存温度 |
T_stg |
-55 to +125°C |
裸存 |
|
工作温度 |
T_use |
-40 °C to +85 °C
|
标准温度 |
|
激励功率 |
DL |
1µW typ |
推荐:1μW ~ 100μW |
|
频率公差 |
f_— l |
±20 ppm |
+25°C 对于超出标准的规格说明,请联系我们以便获取相关的信息, http://www.jyyshkj.com/ |
|
频率温度特征 |
f_tem |
See Stability vs. Temperatur Table |
超出标准的规格请联系我们. |
|
负载电容 |
CL |
12.5pF |
不同负载要求,请联系我们. |
|
串联电阻(ESR) |
R1 |
如下表所示 |
-40°C — +85°C, DL = 100μW |
|
频率老化 |
f_age |
±3 × 10-6 / year Max. |
+25°C,第一年 |
存储事项
(1) 在更高或更低温度或高湿度环境下长时间保存进口贴片晶振产品时,会影响频率稳定性或焊接性.请在正常温度和湿度环境下保存这些晶体产品,并在开封后尽可能进行安装,以免长期储藏.正常温度和湿度: 温度:+15°C 至 +35°C,湿度 25 % RH 至 85 % RH(请参阅“测试点JIS C 60068-1 / IEC 60068-1的标准条件”章节内容).M1381晶振,8038兆级贴片晶振,陶瓷盖晶振
(2) 请仔细处理内外盒与卷带.外部压力会导致卷带受到损坏.MTRONPTI晶振,贴片晶振,M1381晶振
耐焊性
加热包装材料至+150°C以上会破坏产品特性或损害谐振器.如需在+150°C以上焊接晶体产品,建议使用SMD晶体.在下列回流条件下,对晶体产品甚至SMD晶振使用更高温度,会破坏产品特性.建议使用下列配置情况的回流条件.安装这些产品之前,应检查焊接温度和时间.同时,在安装条件更改的情况下,请再次进行检查.如果需要焊接的晶体产品在下列配置条件下进行焊接,请联系我们以获取耐热的相关信息.
MtronPTI石英晶振环保环境与发展对策:实行可持续发展战略.采取有效措施,防治8038晶振工业污染.提高能源利用效率,改善能源结构.运用经济手段保护环境.大力推进科技进步,加强环境科学研究,积极发展环境保护产业.健全环境法规,强化环境管理.加强环境教育,不断提高环境意识.M1381晶振,8038兆级贴片晶振,陶瓷盖晶振
MtronPTI晶振减少污染物排放,对不可再生的资源进行有效利用.减少废物的产生,对其排放的责任进行有效管理,有效地使用能源.通过石英晶振,贴片晶振,温补晶振,8.0*3.7mm贴片晶振,石英晶体振荡器设计工艺程序对员工进行培训保护环境以及人们的健康和安全.提供安全使用和废置我们的产品的信息,对环境有重大健康安全和环境的运营现状进行纠正.MTRONPTI晶振,贴片晶振,M1381晶振
MtronPTI晶振集团保持就健康安全环境问题与临近摄取进行对话.通过在环境控制方面实施优秀的管理实践,以保护环境和全球运作相关的自然资源.向员工灌输环境价值观,在所有的晶振,石英晶振,无源晶体谐振器,有源晶振,压控振荡器产品和生产过程中应用最佳环境实用技术,为全球可持续发展做出贡献.
采购:MTRONPTI晶振,贴片晶振,M1381晶振
- *联系人:
- *手机:
- 公司名称:
- 邮箱:
- *采购意向:
-
*验证码:
跟此产品相关的产品 / Related Products
石英晶体谐振器
台产晶振
贴片晶振
日产进口晶振
欧美进口晶振
- CTS晶振
- 瑞士微晶晶振
- 康纳温菲尔德晶振
- 高利奇晶振
- Jauch晶振
- Abracon晶振
- Vectron晶振
- ECS晶振
- ECLIPTEK晶振
- Raltron晶振
- Greenray晶振
- SITIME晶振
- IDT晶振
- Pletronics晶振
- Statek晶振
- 瑞康晶振
- AEK晶振
- Cardinal晶振
- Crystek晶振
- Euroquartz晶振
- 福克斯晶振
- HEC晶振
- MMdcomp晶振
- MTRONPTI晶振
- Qantek晶振
- Quarztechnik晶振
- Wi2wi晶振
- AEL晶振
- ARGO晶振
- Interquip晶振
- Frequency晶振
- GEYER晶振
- KVG晶振
- ILSI晶振
- QuartzCom晶振
- Suntsu晶振
- Transko晶振
- Oscilent晶振
- Rubyquartz晶振
- ITTI晶振
- ACT晶振
- Lihom晶振
- MTI-milliren晶振
- SHINSUNG晶振
- PDI晶振
- IQD晶振
- Microchip晶振
- Silicon晶振
- Fortiming晶振
- CORE晶振
- NIPPON晶振
- NIC晶振
- QVS晶振
- Bomar晶振
- Bliley晶振
- GED晶振
- Filtronetics晶振
- STD晶振
- Q-Tech晶振
- Anderson晶振
- Wenzel晶振
- NEL晶振
- EM晶振
- PETERMANN晶振
- FCD-Tech晶振
- FMI晶振
- Macrobizes晶振
- AXTAL晶振
- Sunny晶振
- Skyworks晶振
- Renesas瑞萨晶振
- Dynamic迪拉尼
雾化片
32.768K晶振
有源晶振
温补晶振
晶振应用
国内晶振系列
石英晶体振荡器
进口晶振系列
热门晶振系列

- 泰艺晶振,石英晶振,XZ晶振

- 希华晶振,石英晶振,SCO-2520晶振

- CTS晶振,石英晶振,416晶振

- 精工晶振,32.768K,VT-200-FL晶振

- 精工晶振,32.768K,SC-32S晶振

收藏本站
网站地图
联系锦玉












扫一扫

